首页
关于我们
公司专利
企业荣誉
标杆客户
产品中心
DC-DC
AC-DC
BMS
SOC
应用方案
新闻中心
公司动态
行业动态
招贤纳士
联系我们
应用方案
服务创造价值、存在造就未来
当前位置:
首页
>
应用方案
类型:
全部
DC-DC
AC-DC
BMS
数模混合SOC
磁吸充电宝方案
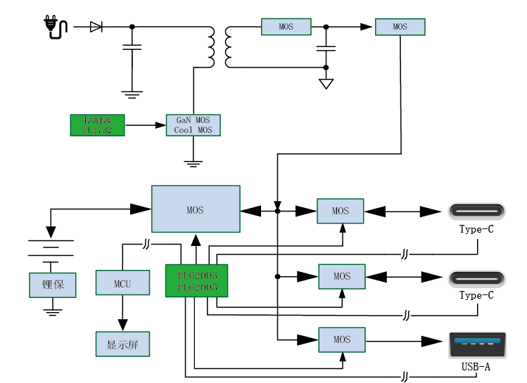
AC-DC+充电宝方案
CA/2-4串/18-45W充电宝方案
CC线L线/单节/22.5W共享充电宝方···
CCAA/CC线L线AA/2-5串/35-100W充···
CCAA/CC线L线AA/单节/18-30W充电···
智能穿戴、物联网专用方案
电力电表专用DC-DC方案
首页
上一页
1
2
3
下一页
尾页
电话咨询
在线咨询
关于我们
购买样品
立创商城
世强硬创平台
购买样品
微信扫一扫
微信联系
返回顶部